农业信息
农业
畜牧业
林业
渔业
当前位置:
首页
>
农业
>陕西省农业机械鉴定推广总站 关于发布2026年陕西省农业机械试验鉴定产品种类指南的通知
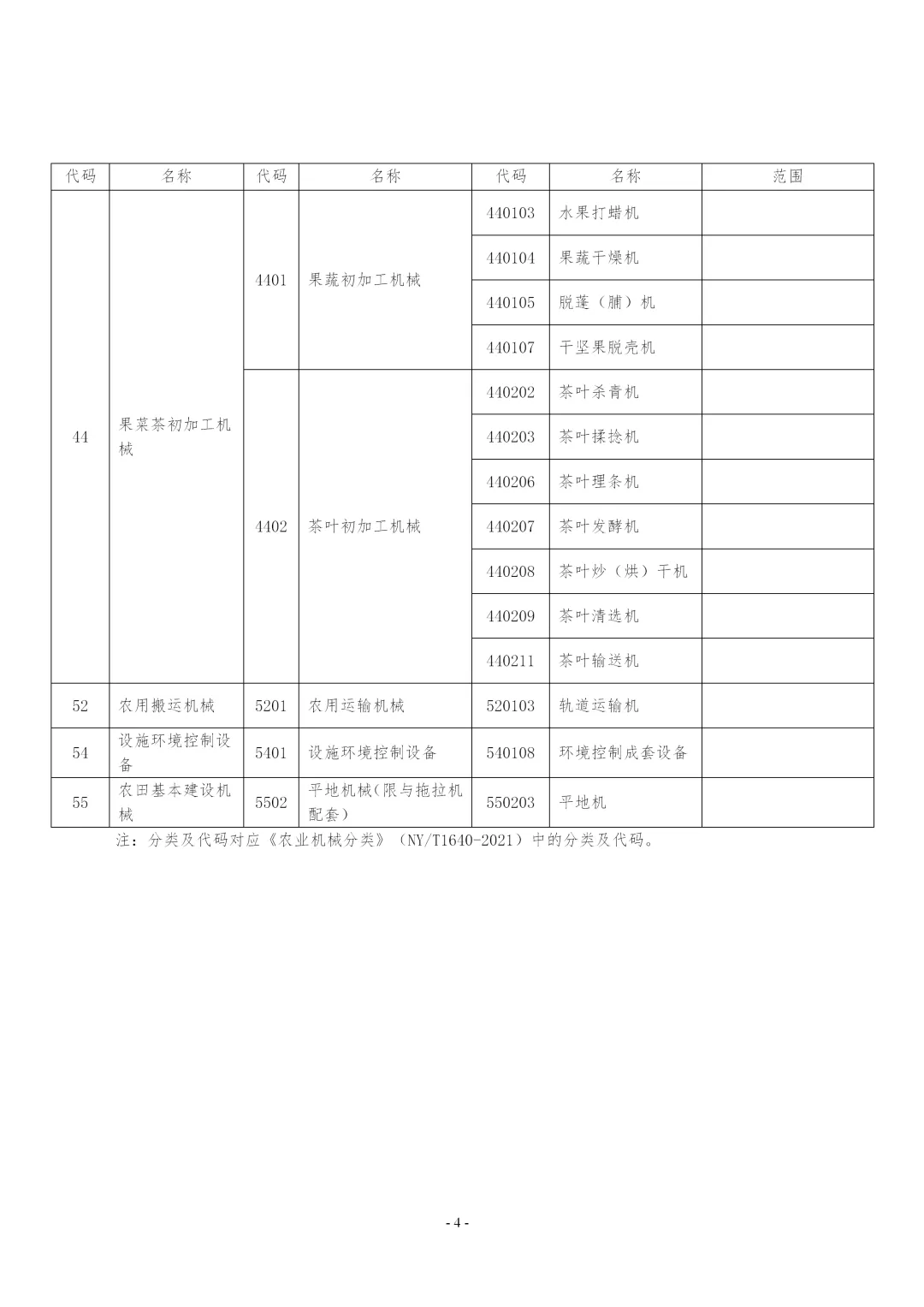
陕西省农业机械鉴定推广总站 关于发布2026年陕西省农业机械试验鉴定产品种类指南的通知
2026-04-03 12:00:53
陕西省农业机械鉴定推广总站 关于发布2026年陕西省农业机械试验鉴定产品种类指南的通知
本文来自网友投稿或网络内容,如有侵犯您的权益请联系我们删除,联系邮箱:wyl860211@qq.com 。
别卷大厂了!中国农业发展集团春招开了,年薪12-25万+六险二金,央企+新风口!
汇聚鲁绿优品 赋能品质农业——山东省绿色优质农产品入驻齐鲁农超品牌馆
最新文章
别卷大厂了!中国农业发展集团春招开了,年薪12-25万+六险二金,央企+新风口!
第28届中国国际渔业博览会-森科特A3-1308邀请函
辽宁渔业互保迎新春送温暖行动走深走实
农业农村部“种植业快报”刊发我区粮食大面积单产提升典型案例
致全体建宁县新型农业经营主体的新春贺信
新型农业经营主体辅导员——赋能乡村农业发展
仓山区农业农村局开展节前集体廉政谈话
湖南农行逐梦奖学金,最高50元微信立减金
农行河南省分行本部举办2026年表彰大会暨迎新春团拜会
农行信用卡2026年一季度消费达标活动
热门文章
农行2月微信月月刷活动 全国入口最新更新
第五届环四川农业大学三校区365公里接力暨百廿校庆跑步活动(含服务)报名通知
沃野生机——江西赣州扎实推进农业农村现代化掠影
河南农业大学院长团队青年教师第一作者在植物学顶级期刊发表研究成果,取得玉米耐高温机制研究新进展
模型算法|智慧农业之番茄采摘点识别/番茄叶片图像分割识别/视觉番茄检测数据集/西红柿采摘点检测/自动化采摘检测/深度学习
江西农业大学专属PPT模板来了,喜欢的同学不要错过啦!
【农业技术】高级农艺师教你巧妙破解“花打顶”:朗特姆+海公牛
耕地正在 “报警”:中国农业必须直面的现实挑战!
事业编,云南农业大学招聘博士41人
高等学校本科专业介绍丨0823 农业工程类:给土地插上科技的翅膀
随机文章
10个月宝宝每天需要喝多少奶粉?
重点面向生物与农业、新材料等领域,正在征集中……
[工作动态 · 松原市]闯出循环农业模式新天地
新春走基层|农业农村部发布53条乡村精品线 中国电信用AI提升用户体验
行业资讯 | 省建投集团与东北农业大学举行产业实验室共建签约仪式 省建投集团党委书记、董事长孙雪飞出席并讲话
西双版纳曌鑫农业环保科技有限公司招聘
心得感悟(三)| 中国农业大学MBA教育中心论文激励手环:腕间微光,执笔前行
专家视点 | 张龙耀 余乐:加快实现农业保险从事后理赔转向风险减量
沙特热衷于投资企业化农业与长期大米供应
明天2026年2月13日,农业银行大额存单最新调整:本金10万存三年利息相差多大?
《吉林报道》头条发布 安图:推进农业农村现代化 绘就乡村振兴新画卷-2026.02.12
基本
文件
流程
错误
SQL
调试
请求信息 : 2026-04-07 09:57:25 HTTP/2.0 GET : https://h.mffb.com.cn/a/474091.html
运行时间 : 0.212399s [ 吞吐率:4.71req/s ] 内存消耗:4,363.51kb 文件加载:140
缓存信息 : 0 reads,0 writes
会话信息 : SESSION_ID=04f0f2bba6c337d5d3c25e086dcf0aff
/yingpanguazai/ssd/ssd1/www/h.mffb.com.cn/public/index.php ( 0.79 KB )
/yingpanguazai/ssd/ssd1/www/h.mffb.com.cn/vendor/autoload.php ( 0.17 KB )
/yingpanguazai/ssd/ssd1/www/h.mffb.com.cn/vendor/composer/autoload_real.php ( 2.49 KB )
/yingpanguazai/ssd/ssd1/www/h.mffb.com.cn/vendor/composer/platform_check.php ( 0.90 KB )
/yingpanguazai/ssd/ssd1/www/h.mffb.com.cn/vendor/composer/ClassLoader.php ( 14.03 KB )
/yingpanguazai/ssd/ssd1/www/h.mffb.com.cn/vendor/composer/autoload_static.php ( 4.90 KB )
/yingpanguazai/ssd/ssd1/www/h.mffb.com.cn/vendor/topthink/think-helper/src/helper.php ( 8.34 KB )
/yingpanguazai/ssd/ssd1/www/h.mffb.com.cn/vendor/topthink/think-validate/src/helper.php ( 2.19 KB )
/yingpanguazai/ssd/ssd1/www/h.mffb.com.cn/vendor/topthink/think-orm/src/helper.php ( 1.47 KB )
/yingpanguazai/ssd/ssd1/www/h.mffb.com.cn/vendor/topthink/think-orm/stubs/load_stubs.php ( 0.16 KB )
/yingpanguazai/ssd/ssd1/www/h.mffb.com.cn/vendor/topthink/framework/src/think/Exception.php ( 1.69 KB )
/yingpanguazai/ssd/ssd1/www/h.mffb.com.cn/vendor/topthink/think-container/src/Facade.php ( 2.71 KB )
/yingpanguazai/ssd/ssd1/www/h.mffb.com.cn/vendor/symfony/deprecation-contracts/function.php ( 0.99 KB )
/yingpanguazai/ssd/ssd1/www/h.mffb.com.cn/vendor/symfony/polyfill-mbstring/bootstrap.php ( 8.26 KB )
/yingpanguazai/ssd/ssd1/www/h.mffb.com.cn/vendor/symfony/polyfill-mbstring/bootstrap80.php ( 9.78 KB )
/yingpanguazai/ssd/ssd1/www/h.mffb.com.cn/vendor/symfony/var-dumper/Resources/functions/dump.php ( 1.49 KB )
/yingpanguazai/ssd/ssd1/www/h.mffb.com.cn/vendor/topthink/think-dumper/src/helper.php ( 0.18 KB )
/yingpanguazai/ssd/ssd1/www/h.mffb.com.cn/vendor/symfony/var-dumper/VarDumper.php ( 4.30 KB )
/yingpanguazai/ssd/ssd1/www/h.mffb.com.cn/vendor/topthink/framework/src/think/App.php ( 15.30 KB )
/yingpanguazai/ssd/ssd1/www/h.mffb.com.cn/vendor/topthink/think-container/src/Container.php ( 15.76 KB )
/yingpanguazai/ssd/ssd1/www/h.mffb.com.cn/vendor/psr/container/src/ContainerInterface.php ( 1.02 KB )
/yingpanguazai/ssd/ssd1/www/h.mffb.com.cn/app/provider.php ( 0.19 KB )
/yingpanguazai/ssd/ssd1/www/h.mffb.com.cn/vendor/topthink/framework/src/think/Http.php ( 6.04 KB )
/yingpanguazai/ssd/ssd1/www/h.mffb.com.cn/vendor/topthink/think-helper/src/helper/Str.php ( 7.29 KB )
/yingpanguazai/ssd/ssd1/www/h.mffb.com.cn/vendor/topthink/framework/src/think/Env.php ( 4.68 KB )
/yingpanguazai/ssd/ssd1/www/h.mffb.com.cn/app/common.php ( 0.03 KB )
/yingpanguazai/ssd/ssd1/www/h.mffb.com.cn/vendor/topthink/framework/src/helper.php ( 18.78 KB )
/yingpanguazai/ssd/ssd1/www/h.mffb.com.cn/vendor/topthink/framework/src/think/Config.php ( 5.54 KB )
/yingpanguazai/ssd/ssd1/www/h.mffb.com.cn/config/app.php ( 0.95 KB )
/yingpanguazai/ssd/ssd1/www/h.mffb.com.cn/config/cache.php ( 0.78 KB )
/yingpanguazai/ssd/ssd1/www/h.mffb.com.cn/config/console.php ( 0.23 KB )
/yingpanguazai/ssd/ssd1/www/h.mffb.com.cn/config/cookie.php ( 0.56 KB )
/yingpanguazai/ssd/ssd1/www/h.mffb.com.cn/config/database.php ( 2.48 KB )
/yingpanguazai/ssd/ssd1/www/h.mffb.com.cn/vendor/topthink/framework/src/think/facade/Env.php ( 1.67 KB )
/yingpanguazai/ssd/ssd1/www/h.mffb.com.cn/config/filesystem.php ( 0.61 KB )
/yingpanguazai/ssd/ssd1/www/h.mffb.com.cn/config/lang.php ( 0.91 KB )
/yingpanguazai/ssd/ssd1/www/h.mffb.com.cn/config/log.php ( 1.35 KB )
/yingpanguazai/ssd/ssd1/www/h.mffb.com.cn/config/middleware.php ( 0.19 KB )
/yingpanguazai/ssd/ssd1/www/h.mffb.com.cn/config/route.php ( 1.89 KB )
/yingpanguazai/ssd/ssd1/www/h.mffb.com.cn/config/session.php ( 0.57 KB )
/yingpanguazai/ssd/ssd1/www/h.mffb.com.cn/config/trace.php ( 0.34 KB )
/yingpanguazai/ssd/ssd1/www/h.mffb.com.cn/config/view.php ( 0.82 KB )
/yingpanguazai/ssd/ssd1/www/h.mffb.com.cn/app/event.php ( 0.25 KB )
/yingpanguazai/ssd/ssd1/www/h.mffb.com.cn/vendor/topthink/framework/src/think/Event.php ( 7.67 KB )
/yingpanguazai/ssd/ssd1/www/h.mffb.com.cn/app/service.php ( 0.13 KB )
/yingpanguazai/ssd/ssd1/www/h.mffb.com.cn/app/AppService.php ( 0.26 KB )
/yingpanguazai/ssd/ssd1/www/h.mffb.com.cn/vendor/topthink/framework/src/think/Service.php ( 1.64 KB )
/yingpanguazai/ssd/ssd1/www/h.mffb.com.cn/vendor/topthink/framework/src/think/Lang.php ( 7.35 KB )
/yingpanguazai/ssd/ssd1/www/h.mffb.com.cn/vendor/topthink/framework/src/lang/zh-cn.php ( 13.70 KB )
/yingpanguazai/ssd/ssd1/www/h.mffb.com.cn/vendor/topthink/framework/src/think/initializer/Error.php ( 3.31 KB )
/yingpanguazai/ssd/ssd1/www/h.mffb.com.cn/vendor/topthink/framework/src/think/initializer/RegisterService.php ( 1.33 KB )
/yingpanguazai/ssd/ssd1/www/h.mffb.com.cn/vendor/services.php ( 0.14 KB )
/yingpanguazai/ssd/ssd1/www/h.mffb.com.cn/vendor/topthink/framework/src/think/service/PaginatorService.php ( 1.52 KB )
/yingpanguazai/ssd/ssd1/www/h.mffb.com.cn/vendor/topthink/framework/src/think/service/ValidateService.php ( 0.99 KB )
/yingpanguazai/ssd/ssd1/www/h.mffb.com.cn/vendor/topthink/framework/src/think/service/ModelService.php ( 2.04 KB )
/yingpanguazai/ssd/ssd1/www/h.mffb.com.cn/vendor/topthink/think-trace/src/Service.php ( 0.77 KB )
/yingpanguazai/ssd/ssd1/www/h.mffb.com.cn/vendor/topthink/framework/src/think/Middleware.php ( 6.72 KB )
/yingpanguazai/ssd/ssd1/www/h.mffb.com.cn/vendor/topthink/framework/src/think/initializer/BootService.php ( 0.77 KB )
/yingpanguazai/ssd/ssd1/www/h.mffb.com.cn/vendor/topthink/think-orm/src/Paginator.php ( 11.86 KB )
/yingpanguazai/ssd/ssd1/www/h.mffb.com.cn/vendor/topthink/think-validate/src/Validate.php ( 63.20 KB )
/yingpanguazai/ssd/ssd1/www/h.mffb.com.cn/vendor/topthink/think-orm/src/Model.php ( 23.55 KB )
/yingpanguazai/ssd/ssd1/www/h.mffb.com.cn/vendor/topthink/think-orm/src/model/concern/Attribute.php ( 21.05 KB )
/yingpanguazai/ssd/ssd1/www/h.mffb.com.cn/vendor/topthink/think-orm/src/model/concern/AutoWriteData.php ( 4.21 KB )
/yingpanguazai/ssd/ssd1/www/h.mffb.com.cn/vendor/topthink/think-orm/src/model/concern/Conversion.php ( 6.44 KB )
/yingpanguazai/ssd/ssd1/www/h.mffb.com.cn/vendor/topthink/think-orm/src/model/concern/DbConnect.php ( 5.16 KB )
/yingpanguazai/ssd/ssd1/www/h.mffb.com.cn/vendor/topthink/think-orm/src/model/concern/ModelEvent.php ( 2.33 KB )
/yingpanguazai/ssd/ssd1/www/h.mffb.com.cn/vendor/topthink/think-orm/src/model/concern/RelationShip.php ( 28.29 KB )
/yingpanguazai/ssd/ssd1/www/h.mffb.com.cn/vendor/topthink/think-helper/src/contract/Arrayable.php ( 0.09 KB )
/yingpanguazai/ssd/ssd1/www/h.mffb.com.cn/vendor/topthink/think-helper/src/contract/Jsonable.php ( 0.13 KB )
/yingpanguazai/ssd/ssd1/www/h.mffb.com.cn/vendor/topthink/think-orm/src/model/contract/Modelable.php ( 0.09 KB )
/yingpanguazai/ssd/ssd1/www/h.mffb.com.cn/vendor/topthink/framework/src/think/Db.php ( 2.88 KB )
/yingpanguazai/ssd/ssd1/www/h.mffb.com.cn/vendor/topthink/think-orm/src/DbManager.php ( 8.52 KB )
/yingpanguazai/ssd/ssd1/www/h.mffb.com.cn/vendor/topthink/framework/src/think/Log.php ( 6.28 KB )
/yingpanguazai/ssd/ssd1/www/h.mffb.com.cn/vendor/topthink/framework/src/think/Manager.php ( 3.92 KB )
/yingpanguazai/ssd/ssd1/www/h.mffb.com.cn/vendor/psr/log/src/LoggerTrait.php ( 2.69 KB )
/yingpanguazai/ssd/ssd1/www/h.mffb.com.cn/vendor/psr/log/src/LoggerInterface.php ( 2.71 KB )
/yingpanguazai/ssd/ssd1/www/h.mffb.com.cn/vendor/topthink/framework/src/think/Cache.php ( 4.92 KB )
/yingpanguazai/ssd/ssd1/www/h.mffb.com.cn/vendor/psr/simple-cache/src/CacheInterface.php ( 4.71 KB )
/yingpanguazai/ssd/ssd1/www/h.mffb.com.cn/vendor/topthink/think-helper/src/helper/Arr.php ( 16.63 KB )
/yingpanguazai/ssd/ssd1/www/h.mffb.com.cn/vendor/topthink/framework/src/think/cache/driver/File.php ( 7.84 KB )
/yingpanguazai/ssd/ssd1/www/h.mffb.com.cn/vendor/topthink/framework/src/think/cache/Driver.php ( 9.03 KB )
/yingpanguazai/ssd/ssd1/www/h.mffb.com.cn/vendor/topthink/framework/src/think/contract/CacheHandlerInterface.php ( 1.99 KB )
/yingpanguazai/ssd/ssd1/www/h.mffb.com.cn/app/Request.php ( 0.09 KB )
/yingpanguazai/ssd/ssd1/www/h.mffb.com.cn/vendor/topthink/framework/src/think/Request.php ( 55.78 KB )
/yingpanguazai/ssd/ssd1/www/h.mffb.com.cn/app/middleware.php ( 0.25 KB )
/yingpanguazai/ssd/ssd1/www/h.mffb.com.cn/vendor/topthink/framework/src/think/Pipeline.php ( 2.61 KB )
/yingpanguazai/ssd/ssd1/www/h.mffb.com.cn/vendor/topthink/think-trace/src/TraceDebug.php ( 3.40 KB )
/yingpanguazai/ssd/ssd1/www/h.mffb.com.cn/vendor/topthink/framework/src/think/middleware/SessionInit.php ( 1.94 KB )
/yingpanguazai/ssd/ssd1/www/h.mffb.com.cn/vendor/topthink/framework/src/think/Session.php ( 1.80 KB )
/yingpanguazai/ssd/ssd1/www/h.mffb.com.cn/vendor/topthink/framework/src/think/session/driver/File.php ( 6.27 KB )
/yingpanguazai/ssd/ssd1/www/h.mffb.com.cn/vendor/topthink/framework/src/think/contract/SessionHandlerInterface.php ( 0.87 KB )
/yingpanguazai/ssd/ssd1/www/h.mffb.com.cn/vendor/topthink/framework/src/think/session/Store.php ( 7.12 KB )
/yingpanguazai/ssd/ssd1/www/h.mffb.com.cn/vendor/topthink/framework/src/think/Route.php ( 23.73 KB )
/yingpanguazai/ssd/ssd1/www/h.mffb.com.cn/vendor/topthink/framework/src/think/route/RuleName.php ( 5.75 KB )
/yingpanguazai/ssd/ssd1/www/h.mffb.com.cn/vendor/topthink/framework/src/think/route/Domain.php ( 2.53 KB )
/yingpanguazai/ssd/ssd1/www/h.mffb.com.cn/vendor/topthink/framework/src/think/route/RuleGroup.php ( 22.43 KB )
/yingpanguazai/ssd/ssd1/www/h.mffb.com.cn/vendor/topthink/framework/src/think/route/Rule.php ( 26.95 KB )
/yingpanguazai/ssd/ssd1/www/h.mffb.com.cn/vendor/topthink/framework/src/think/route/RuleItem.php ( 9.78 KB )
/yingpanguazai/ssd/ssd1/www/h.mffb.com.cn/route/app.php ( 1.72 KB )
/yingpanguazai/ssd/ssd1/www/h.mffb.com.cn/vendor/topthink/framework/src/think/facade/Route.php ( 4.70 KB )
/yingpanguazai/ssd/ssd1/www/h.mffb.com.cn/vendor/topthink/framework/src/think/route/dispatch/Controller.php ( 4.74 KB )
/yingpanguazai/ssd/ssd1/www/h.mffb.com.cn/vendor/topthink/framework/src/think/route/Dispatch.php ( 10.44 KB )
/yingpanguazai/ssd/ssd1/www/h.mffb.com.cn/app/controller/Index.php ( 4.81 KB )
/yingpanguazai/ssd/ssd1/www/h.mffb.com.cn/app/BaseController.php ( 2.05 KB )
/yingpanguazai/ssd/ssd1/www/h.mffb.com.cn/vendor/topthink/think-orm/src/facade/Db.php ( 0.93 KB )
/yingpanguazai/ssd/ssd1/www/h.mffb.com.cn/vendor/topthink/think-orm/src/db/connector/Mysql.php ( 5.44 KB )
/yingpanguazai/ssd/ssd1/www/h.mffb.com.cn/vendor/topthink/think-orm/src/db/PDOConnection.php ( 52.47 KB )
/yingpanguazai/ssd/ssd1/www/h.mffb.com.cn/vendor/topthink/think-orm/src/db/Connection.php ( 8.39 KB )
/yingpanguazai/ssd/ssd1/www/h.mffb.com.cn/vendor/topthink/think-orm/src/db/ConnectionInterface.php ( 4.57 KB )
/yingpanguazai/ssd/ssd1/www/h.mffb.com.cn/vendor/topthink/think-orm/src/db/builder/Mysql.php ( 16.58 KB )
/yingpanguazai/ssd/ssd1/www/h.mffb.com.cn/vendor/topthink/think-orm/src/db/Builder.php ( 24.06 KB )
/yingpanguazai/ssd/ssd1/www/h.mffb.com.cn/vendor/topthink/think-orm/src/db/BaseBuilder.php ( 27.50 KB )
/yingpanguazai/ssd/ssd1/www/h.mffb.com.cn/vendor/topthink/think-orm/src/db/Query.php ( 15.71 KB )
/yingpanguazai/ssd/ssd1/www/h.mffb.com.cn/vendor/topthink/think-orm/src/db/BaseQuery.php ( 45.13 KB )
/yingpanguazai/ssd/ssd1/www/h.mffb.com.cn/vendor/topthink/think-orm/src/db/concern/TimeFieldQuery.php ( 7.43 KB )
/yingpanguazai/ssd/ssd1/www/h.mffb.com.cn/vendor/topthink/think-orm/src/db/concern/AggregateQuery.php ( 3.26 KB )
/yingpanguazai/ssd/ssd1/www/h.mffb.com.cn/vendor/topthink/think-orm/src/db/concern/ModelRelationQuery.php ( 20.07 KB )
/yingpanguazai/ssd/ssd1/www/h.mffb.com.cn/vendor/topthink/think-orm/src/db/concern/ParamsBind.php ( 3.66 KB )
/yingpanguazai/ssd/ssd1/www/h.mffb.com.cn/vendor/topthink/think-orm/src/db/concern/ResultOperation.php ( 7.01 KB )
/yingpanguazai/ssd/ssd1/www/h.mffb.com.cn/vendor/topthink/think-orm/src/db/concern/WhereQuery.php ( 19.37 KB )
/yingpanguazai/ssd/ssd1/www/h.mffb.com.cn/vendor/topthink/think-orm/src/db/concern/JoinAndViewQuery.php ( 7.11 KB )
/yingpanguazai/ssd/ssd1/www/h.mffb.com.cn/vendor/topthink/think-orm/src/db/concern/TableFieldInfo.php ( 2.63 KB )
/yingpanguazai/ssd/ssd1/www/h.mffb.com.cn/vendor/topthink/think-orm/src/db/concern/Transaction.php ( 2.77 KB )
/yingpanguazai/ssd/ssd1/www/h.mffb.com.cn/vendor/topthink/framework/src/think/log/driver/File.php ( 5.96 KB )
/yingpanguazai/ssd/ssd1/www/h.mffb.com.cn/vendor/topthink/framework/src/think/contract/LogHandlerInterface.php ( 0.86 KB )
/yingpanguazai/ssd/ssd1/www/h.mffb.com.cn/vendor/topthink/framework/src/think/log/Channel.php ( 3.89 KB )
/yingpanguazai/ssd/ssd1/www/h.mffb.com.cn/vendor/topthink/framework/src/think/event/LogRecord.php ( 1.02 KB )
/yingpanguazai/ssd/ssd1/www/h.mffb.com.cn/vendor/topthink/think-helper/src/Collection.php ( 16.47 KB )
/yingpanguazai/ssd/ssd1/www/h.mffb.com.cn/vendor/topthink/framework/src/think/facade/View.php ( 1.70 KB )
/yingpanguazai/ssd/ssd1/www/h.mffb.com.cn/vendor/topthink/framework/src/think/View.php ( 4.39 KB )
/yingpanguazai/ssd/ssd1/www/h.mffb.com.cn/vendor/topthink/framework/src/think/Response.php ( 8.81 KB )
/yingpanguazai/ssd/ssd1/www/h.mffb.com.cn/vendor/topthink/framework/src/think/response/View.php ( 3.29 KB )
/yingpanguazai/ssd/ssd1/www/h.mffb.com.cn/vendor/topthink/framework/src/think/Cookie.php ( 6.06 KB )
/yingpanguazai/ssd/ssd1/www/h.mffb.com.cn/vendor/topthink/think-view/src/Think.php ( 8.38 KB )
/yingpanguazai/ssd/ssd1/www/h.mffb.com.cn/vendor/topthink/framework/src/think/contract/TemplateHandlerInterface.php ( 1.60 KB )
/yingpanguazai/ssd/ssd1/www/h.mffb.com.cn/vendor/topthink/think-template/src/Template.php ( 46.61 KB )
/yingpanguazai/ssd/ssd1/www/h.mffb.com.cn/vendor/topthink/think-template/src/template/driver/File.php ( 2.41 KB )
/yingpanguazai/ssd/ssd1/www/h.mffb.com.cn/vendor/topthink/think-template/src/template/contract/DriverInterface.php ( 0.86 KB )
/yingpanguazai/ssd/ssd1/www/h.mffb.com.cn/runtime/temp/32b793ebdcbdb96aeb8bb24c123b0bef.php ( 11.98 KB )
/yingpanguazai/ssd/ssd1/www/h.mffb.com.cn/vendor/topthink/think-trace/src/Html.php ( 4.42 KB )
CONNECT:[ UseTime:0.001325s ] mysql:host=127.0.0.1;port=3306;dbname=h_mffb;charset=utf8mb4
SHOW FULL COLUMNS FROM `fenlei` [ RunTime:0.001752s ]
SELECT * FROM `fenlei` WHERE `fid` = 0 [ RunTime:0.000776s ]
SELECT * FROM `fenlei` WHERE `fid` = 63 [ RunTime:0.000635s ]
SHOW FULL COLUMNS FROM `set` [ RunTime:0.001314s ]
SELECT * FROM `set` [ RunTime:0.000628s ]
SHOW FULL COLUMNS FROM `article` [ RunTime:0.001777s ]
SELECT * FROM `article` WHERE `id` = 474091 LIMIT 1 [ RunTime:0.001076s ]
UPDATE `article` SET `lasttime` = 1775527045 WHERE `id` = 474091 [ RunTime:0.012696s ]
SELECT * FROM `fenlei` WHERE `id` = 64 LIMIT 1 [ RunTime:0.000722s ]
SELECT * FROM `article` WHERE `id` < 474091 ORDER BY `id` DESC LIMIT 1 [ RunTime:0.001316s ]
SELECT * FROM `article` WHERE `id` > 474091 ORDER BY `id` ASC LIMIT 1 [ RunTime:0.001069s ]
SELECT * FROM `article` WHERE `id` < 474091 ORDER BY `id` DESC LIMIT 10 [ RunTime:0.011696s ]
SELECT * FROM `article` WHERE `id` < 474091 ORDER BY `id` DESC LIMIT 10,10 [ RunTime:0.002328s ]
SELECT * FROM `article` WHERE `id` < 474091 ORDER BY `id` DESC LIMIT 20,10 [ RunTime:0.007788s ]
0.216221s