秦皇岛样本:秸秆蒸汽爆破技术如何开辟农业废弃物高值化利用新路径
一项中试项目的成功结项,背后是中国在秸秆资源化利用领域迈出的关键一步。
在秦皇岛市一项不起眼的农业科技项目现场,秸秆经过蒸汽爆破预处理后,被转化为粘糠酸、香兰素和己二酸等高附加值化学品。这项刚刚通过结项验收的中试项目,由国家能源生物炼制研究中心与河北信绿色生物制造技术创新中心联合承担,北京化工大学提供核心技术支撑。
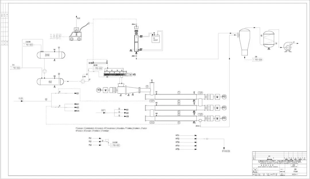
秸秆蒸汽爆破技术并非全新概念,但秦皇岛项目的突破在于实现了从技术到产业的完整链条打通。该项目采用一体化螺杆秸秆蒸爆预处理装置,通过对秸秆进行高温高压处理后瞬间释压,破坏其纤维结构,提高糖化效率。
01 技术突破:一体化螺杆蒸爆装置的核心创新
秦皇岛项目最大的亮点在于其核心设备的创新——由北京化工大学研制的一体化螺杆秸秆蒸爆预处理装置。该设备实现了秸秆破碎、清洗、预处理的一体化操作,大幅提高了处理效率。
蒸汽爆破技术的本质是通过高温高压水蒸气渗透进入秸秆内部,在瞬间释压过程中产生“爆破”效应,破坏木质素与纤维素、半纤维素之间的连接,从而为后续糖化发酵创造有利条件。
与传统的间歇式蒸爆设备不同,秦皇岛项目采用的一体化螺杆设计实现了连续生产,显著降低了能耗和操作成本。设备系统包括滞留器、旋风分离器等关键部件,形成了完整的处理流水线。
滞留器负责将经单螺杆挤出机处理后的物料迅速升温至反应温度,通过酸/碱液与秸秆反应,去除半纤维素和木质素。随后,物料经喷爆装置喷至旋风分离器,利用离心力实现气固分离。
这一技术路线在糖得率、能耗控制和无化学添加方面展现出明显优势,为后续生物炼制提供了高质量原料。
02 全球视野:秸秆蒸汽爆破技术发展现状
秸秆蒸汽爆破技术全球研发始于20世纪80年代,意大利、加拿大和日本是早期技术领先者。意大利的Masonite技术最早应用于板材行业,而后被拓展到生物质能源领域。
加拿大Iogen公司是全球较早将蒸汽爆破技术商业化的企业,其技术主要应用于纤维素乙醇生产。该公司在渥太华建立的示范工厂,每天可处理100吨小麦秸秆,生产纤维素乙醇。但高昂的生产成本限制了其大规模推广。
欧洲的STEAM项目开发了低严苛度蒸汽爆破技术,通过精确控制温度和压力,优化了半纤维素回收率。该技术已在瑞典和德国的试点工厂应用,主要生产生物乙醇和平台化学品。
日本方面,三菱重工开发了连续式蒸汽爆破设备,应用于稻秆处理,但其技术路线偏重能源化利用,产品单一性限制了经济效益。
与这些国际技术相比,中国蒸汽爆破技术研究起步较晚但发展迅速。秦皇岛项目的创新点在于将蒸汽爆破与高附加值化学品生产紧密结合,走出了差异化的技术路线。
03 产品多元化:从秸秆到高附加值化学品的转化路径
秦皇岛项目的另一大突破是实现了秸秆向多种高附加值化学品的转化,打破了传统生物质能源单一化的产品局限。
项目搭建的生物发酵分离一体化生产平台,成功实现了粘糠酸、香兰素和己二酸等化学品的生产。
在粘糠酸生产方面,项目组通过合成途径搭建、途径改造靶点筛选和多策略优化,在SL发酵罐中达到了88.2g/L的产量,利用葡萄糖生产粘糠酸的得率达到国际最高水平。
香兰素生物合成方面,重组谷氨酸棒状杆菌摇瓶发酵生产得到的香兰素最高浓度可达765.85 mg/L,并已获得中国发明专利授权1项。项目组还对合成途径中的甲基转移酶进行了改造,使副产物异香草酸占比降低到5%。
己二酸作为尼龙66的重要原料,也通过该平台成功从秸秆糖源中制备,展现了秸秆资源在化工原料领域的替代潜力。

这种产品多元化战略大幅提升了秸秆资源化利用的经济可行性,为技术商业化奠定了坚实基础。
04 政产学研协同:打通科技成果转化“最后一公里”
秦皇岛项目的成功,不仅是技术创新的胜利,也是政产学研协同模式的成果。
项目形成了“政府引导、高校支撑、企业主体”的三方协同创新模式:秦皇岛市政府提供项目专项资金和政策支持;北京化工大学提供核心技术研发支持;企业负责技术中试和产业化落地。
这种模式有效解决了科研与产业“两张皮”问题,打通了从实验室到产业化的“最后一公里”。在项目结项关键阶段,秦皇岛市政府主要领导与北京化工大学领导一行莅临项目现场进行视察,对项目给予了充分肯定。
政产学研协同创新是德国弗劳恩霍夫模式和加拿大农业创新中心的成功经验,秦皇岛项目的实践表明,这一模式在中国同样具有强大生命力。
05 未来展望:秸秆资源化利用的挑战与机遇
尽管秦皇岛项目中试成功,但秸秆蒸汽爆破技术大规模产业化仍面临挑战。
技术层面,需要进一步降低能耗,提高设备连续稳定运行时间,简化操作流程。经济层面,需要平衡设备投资与运营成本,提高整体经济性。
政策层面,需要建立更加完善的秸秆收储运体系,解决原料供应稳定性问题。市场层面,需要拓展高附加值产品应用场景,提高市场接受度。
未来秸秆蒸汽爆破技术可能向智能化、模块化和柔性化方向发展。智能化体现在通过传感器和AI算法优化工艺参数;模块化便于根据不同规模灵活配置;柔性化则指向适应多种原料和产品的生产能力。
随着碳中和战略推进,生物质资源的高值化利用将迎来新机遇。秸秆蒸汽爆破技术作为生物炼制的关键前端环节,有望在绿色化工、生物基材料等领域发挥更大作用。
从全球范围看,秸秆蒸汽爆破技术正从单一的能源化应用向多元化高值化利用方向发展。秦皇岛项目的意义在于,它探索出了一条适合中国国情的秸秆资源化利用路径:通过技术创新降低生产成本,通过产品多元化提升经济性,通过政产学研协同加速技术落地。
秸秆不再是“被遗忘的资源”,而是通往绿色制造、循环经济的新起点。随着更多类似秦皇岛项目的技术突破和模式创新,农业废弃物资源化利用将为碳中和目标提供重要支撑,为农村绿色转型注入新动力。
欢迎加入干法、半干法、直压技术群,欢迎加群主微信,自我介绍,邀请您,也可以加小编微信邀请您。微信号13922840103,加微信发暗号6666,通过后自我介绍,邀请您入群。
找公模,必须去生态天空,推广公模,也上生态天空。
消库存,还是找生态天空。新品发布,仍是生态天空。
生态天空

广州华工环源绿色包装技术股份有限公司,近三十载专注于纸浆模塑成套技术及生产线的研发、制造,为行业提供全方位的整体解决方案。凭借着专业的工艺技术、强大的产品开发能力、配套的模具技术和制造支持,健全的设备制造、安装、培训、售前和售后服务组织架构体系,以及近三十年的行业经验积累,确保华工环源为客户提供高性价比的优良产品和全方位的满意服务。赢得了越来越多客户的认可与信赖,成为了全球纸浆模塑行业重要的设备和制品供应商之一。 华工环源为全球有志于投身环保事业的朋友提供一流的产品和服务。 官网:www.pulpmoldingchina.cn
设计可持续包装不单只是使用环保或回收材料而已,还须具备能让使用者立即停下来思考的创意美学。在消费者选购产品的过程中,商品包装必须在几秒钟内赢得其青睐并引发省思,因此整体包装得让消费者一眼就觉得它美观、安全且对环境友善。若设计师能成功将这些讯息整合到包装设计中,商品自然会在竞争激烈的超市卖场与电商中脱颖而出。
图文来自网络,不代表包装部落立场,如有侵权,通知删除。
欢迎大家关注IPFM植物纤维模塑展会,一起交流植物纤维模塑在奢侈品、电商缓冲、外卖包装、家具用品、家具和通用护角、以及电子类、化妆品类、医用类的前景,以及其他纸浆模塑制品的市场潜力、前景和发力点。
欢迎大家加入纸浆模塑万人群,交流、探讨、研究、学习植物纤维模塑新技术、新工艺、新装备、新材料、新设计,结交植物纤维模塑领域的老前辈、新朋友。
您的分享转发,让更多人了解、使用、推荐纸浆模塑或者植物纤维模塑,为孩子留下一片绿!
微信推送规则改变,需点赞和在看建立深度阅读关系,谢谢!