
论文摘要
射频(RF)加热作为一种极具潜力的替代烘烤技术,可有效提升花生油品质并降解黄曲霉毒素。然而,在花生油加工过程中,射频烘烤对蛋白质的改性效果及机制尚不明确。本研究旨在探究 150℃下不同保温时间(0-15 分钟)的射频烘烤对花生蛋白多尺度结构及功能特性的影响。结果表明,射频烘烤未改变花生蛋白的一级结构;随着保温时间延长,花生蛋白的表面疏水性显著增强,二级结构发生明显转变(α- 螺旋和 β- 折叠向 β- 转角和无规则卷曲转化);固有荧光光谱及暴露游离巯基、二硫键含量的变化表明,烘烤后花生蛋白的三级结构发生重排与聚集。适度的射频烘烤强度(保温时间 5-10 分钟)可显著提升花生蛋白的乳化特性,且对起泡特性无显著负面影响。此外,与热风烘烤的花生蛋白相比,射频烘烤的花生蛋白具有更优异的乳化性能,所形成的乳液粒径更小。综上,本研究为利用射频烘烤改性植物蛋白、提升其食品应用价值提供了新的见解。
研究背景
花生是全球重要的油料作物之一,2024-2025 年期间其产量占全球主要油料作物的 7.6%(位居第四),榨油过程中会产生大量副产物花生粕,其中蛋白质含量高达 47%-55%,且富含必需氨基酸、抗营养因子含量低,是优质的营养来源和潜在的动物蛋白替代物。然而,目前花生粕主要用作动物饲料,且易受黄曲霉毒素污染,导致蛋白资源未被充分利用。烘烤是热榨花生油加工的关键工序,不仅能改善花生油的风味、色泽和出油率,还能实现黄曲霉毒素的降解,但传统烘烤技术(如热风、红外)依赖热对流和热传导,存在加热效率低、穿透力弱、加热不均等问题。射频(RF)加热作为新兴的介电加热技术,通过偶极旋转和离子传导实现物料内部 volumetric 产热,具有加热效率高、穿透力强等优势,已在豌豆、腰果、杏仁等食品加工中展现出提升产品风味、质地和货架期的潜力。前期研究已证实,射频烘烤可显著提升花生油的抗氧化能力、挥发性香气成分含量及储存稳定性,黄曲霉毒素 B₁降解率超 75%,且相较于热风烘烤,其黄曲霉毒素降解率高 18%、出油率高 3.59%,油品质均一性更优。尽管已有研究表明射频处理可改变豌豆、玉米、荞麦等植物蛋白的二级和三级结构,且改性效果与热强度密切相关,但相关研究多基于温和射频加热条件,针对高强度射频烘烤对花生蛋白的改性效果、多尺度结构变化规律及其与功能特性的关联,目前仍缺乏系统研究,限制了射频技术在花生油加工及花生副产物蛋白高值化利用中的进一步应用,因此亟需开展相关机制探究。
图文赏析 
Fig. 1:不同射频(RF)烘烤条件处理的花生分离蛋白粒径分布。(HA:热风烘烤,170℃,总时长 20 分钟;RF-(0、5、10、15):射频烘烤,在 150℃目标温度下分别保温 0、5、10、15 分钟)
Fig. 2:不同射频烘烤条件处理的花生分离蛋白 SDS-PAGE 电泳图谱。
Fig. 3:不同射频烘烤条件处理的花生分离蛋白的固有荧光光谱(A)、表面疏水性(B)及暴露游离巯基与二硫键含量(C)。
Fig. 4:不同射频烘烤条件处理的花生分离蛋白的傅里叶变换红外光谱(A)及二级结构分布(B)。
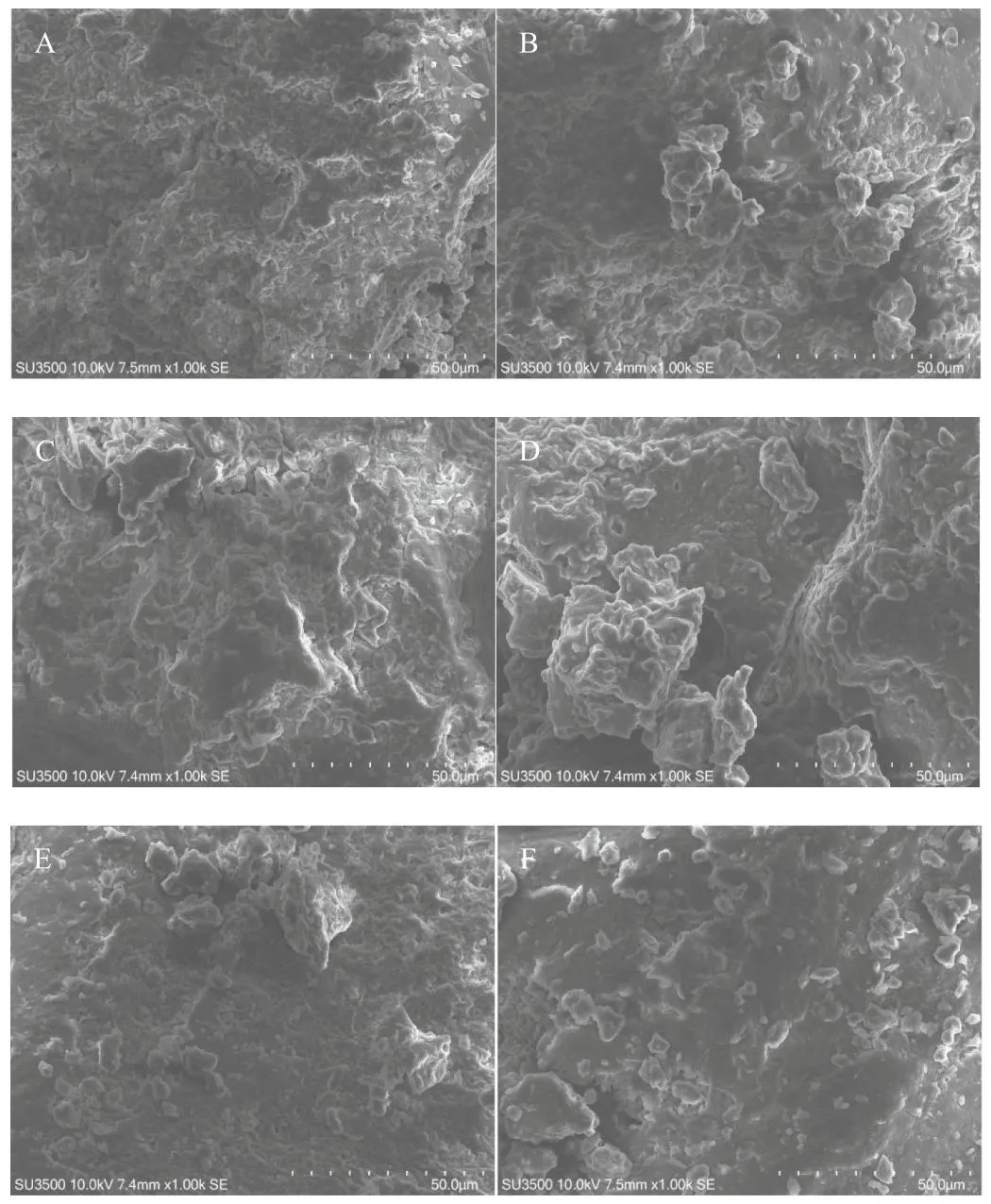
Fig. 5:花生分离蛋白在 1000 倍放大倍数下的扫描电子显微镜照片。(A)未烘烤样品;(B)热风烘烤样品;(C)射频烘烤 0 分钟样品;(D)射频烘烤 5 分钟样品;(E)射频烘烤 10 分钟样品;(F)射频烘烤 15 分钟样品。
Fig. 6:不同射频烘烤条件对花生分离蛋白起泡特性(A)和乳化特性(B)的影响。(FC:起泡能力;FS:起泡稳定性;EAI:乳化活性指数;ESI:乳化稳定性指数)
Fig. 7:不同射频烘烤条件处理的花生分离蛋白多尺度结构与功能特性的 Pearson 相关性矩阵。
研究结论
本研究表明,射频(RF)烘烤对花生蛋白的多尺度结构产生了显著改性,并改变了其功能特性。随着保温时间的延长,花生蛋白中有序的 α- 螺旋和 β- 折叠结构向更无序的 β- 转角和无规则卷曲结构转化被显著促进,且表面疏水性显著增强。此外,射频烘烤诱导花生蛋白的三级结构发生变化并形成蛋白聚集体,对荧光强度、暴露游离巯基及二硫键含量均产生了显著影响,同时蛋白粒径呈现先减小后增大的趋势。适度的射频烘烤条件(即 150℃下保温 5-10 分钟)可显著提升花生蛋白的乳化特性,且对起泡特性无不利影响;与传统热风烘烤技术相比,射频烘烤在减小蛋白粒径和增强乳化性能方面具有显著优势。综上,本研究结果深入揭示了射频烘烤对花生蛋白的改性效果及机制,未来研究应进一步探究射频烘烤下花生蛋白的改性位点及其对美拉德反应的贡献。
刘嫣红:中国农业大学工学院教授,博导兼硕导。研究领域:1. 针对粮食与中药材行业仓储虫害、种子活力保持及安全储藏、花生/玉米等黄曲霉毒素污染、农产品精深加工过程副产物综合利用等问题,开展基于射频加热的粮食/中药材杀虫、种子干燥/杀菌、农产品/食品杀菌/毒素降解、有效成分提取技术与装备研究;2. 围绕农产品干燥过程增效、提质、节能需求,基于自主研发的中药材蒸制程度精准控制与高效蒸制技术与装备,以及基于温湿度过程控制的气流干燥、倾斜盘式气体射流冲击干燥、中短波红外干燥、射频-热风干燥、射频-真空脉动干燥技术与装备,开展果蔬/中药材蒸制及干燥技术适用性研究;3. 围绕农产品干燥过程精准化、智能化需求,开展基于机器视觉在线监测、深度学习、多物理场耦合仿真优化的智能干燥技术与装备研究。本研究得到国家自然科学基金(项目编号:31772088)的资助。https://doi.org/10.1016/j.ifset.2026.104487
欢迎添加小编微信

标注 “原创” 仅表明为原创编译,本平台不主张对原文享有版权。
本平台转载内容仅出于学术交流与信息传播之目的,并不代表本平台观点,亦不意味着证实内容的真实性。
转载文章的版权归原作者所有,若原作者不希望作品被转载或存在侵权行为,请联系本平台删除。
由于编译水平有限,推文或简历中若有不妥之处,我们深表歉意,请联系本平台进行修改或删除。