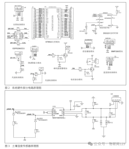
物联网技术发展推动智慧农业变革,农业监测系统是关键,国内外已有相关成果。同时提升农业管理便捷性与高效性,为智慧农业提供决策支持,促进农业现代化。监测原理为利用多种传感器采集农业环境参数,如温湿度等。传输原理是经STM32芯片处理,借WiFi模块把数据上传至OneNET云平台,实现数据从采集到上传的过程,为农业环境监测提供技术支持。
系统架构涵盖感知、网络、应用三层,感知层传感器采集数据,网络层WiFi模块传输,应用层云平台处理分析。硬件设计包含主控制器、无线通信、显示、供电模块及环境传感器。软件设计包括PC端上位机和手机APP软件,具备数据采集、传输、分析等功能。此系统通过各部分协同工作,实现农业环境数据的采集、传输和处理,为农业监测提供全面支持。系统运行稳定,符合农业环境实时监测需求。各传感器精准采集并准确上传数据至云平台。显示屏界面简洁直观,清晰呈现数据。整体表明系统各部分运行良好,有效实现农业环境监测功能。基于物联网技术设计的系统能准确实时获取农业环境信息,实现精准监测和创新应用,对农业现代化有重要意义。参考文献:
[1]张春美,全钊锋,吴树添,等.基于物联网技术的智慧农业环境监测系统设计[J].电子制作,2024,32(15):37-40.
| 声明:本文所用图片、文字均为转载,如有涉及作品版权问题,请第一时间告知,我们将根据您提供的证明材料确认并立即删除内容。本文内容系作者个人观点,不代表物联网123的观点或立场。 |
物联网专业交流群欢迎物联网行业相关的人群加入,同时群内欢迎各路社牛、大咖、前辈加入,群内除了不能发敏感内容、色情内容,以及不太建议多次发送推广内容,其他内容皆可畅聊~——交流QQ群724511126,进群的朋友请备注:姓名-单位-研究方向(无备注请恕不通过),由编辑审核后邀请入群!